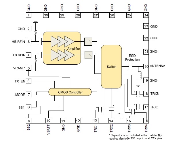
Product Summary
                                                  	The RF3235 is a quad-band (GSM850/EGSM900/DCS1800/PCS1900) GSM/GPRS Class 12-compliant transmit module with six transmit/receive ports for UMTS use that also serve as GSM Rx ports. This transmit module builds upon RFMDs leading PowerStar integrated power control technology, SOI (silicon-oninsulator) switch technology, and integrated transmit filtering for best-in-class harmonic performance. The results are high performance, reduced solution size, and ease of implementation. The device is designed for use as the final portion of the transmitter section in a GSM850/EGSM900/DCS1800/PCS1900/UMTS handset and eliminates the need for a PA-to-antenna switch module matching network. The device provides 50Ω matched input and output ports requiring no external matching components.
                                                  
Parametrics
RF3235 absolute maximum ratings: (1)Supply Voltage: -0.3 to +6.0 V; (2)Power Control Voltage (VRAMP): -0.3 to +3.0 V; (3)Input RF Power: +10 dBm; (4)Max Duty Cycle: 50 %; (5)Output Load VSWR: 20:1; (6)Operating Temperature: -30 to +85 °C; (7)Storage Temperature: -55 to +150 °C.
Features
RF3235 features: (1)High Efficiency at Rated POUT VBATT=3.5V, Low Band = 40%, High Band = 35%; (2)Integrated Power Flattening Circuit for Lower Power Variation under Mismatch Conditions; (3)Integrated VBATT Tracking Circuit for Improved Switching Spectrum under Low VBATT Conditions; (4)Dual Mode Operation; (5)Digital Bias Control; (6)EDGE Low Power Mode; (7)8kV Robust ESD Protection at Antenna Port; (8)Symmetrical RX Ports; (9)Two High Linearity TX/RX UMTS Ports; (10)0dBm to 6dBm Drive Level, >50dB of Dynamic Range.
Diagrams

![]()  | 
                            ![]() RF3203  | 
                            ![]() Other  | 
                            ![]()  | 
                            ![]() Data Sheet  | 
                            ![]() Negotiable  | 
                            
                            	 | 
                      ||||||||||||||
![]()  | 
                            ![]() RF3210  | 
                            ![]() RFM  | 
                            ![]() Signal Conditioning 303.825 MHz Narrowband Front End  | 
                            ![]() Data Sheet  | 
                            ![]() 
  | 
                            
                            	 | 
                      ||||||||||||||
![]()  | 
                            ![]() RF3210D  | 
                            ![]() RFM  | 
                            ![]() Signal Conditioning 303.825 MHz Narrowband Front End  | 
                            ![]() Data Sheet  | 
                            ![]() 
  | 
                            
                            	 | 
                      ||||||||||||||
![]()  | 
                            ![]() RF3210E  | 
                            ![]() RFM  | 
                            ![]() Signal Conditioning 303.825 MHz Narrowband Front End  | 
                            ![]() Data Sheet  | 
                            ![]() 
  | 
                            
                            	 | 
                      ||||||||||||||
![]()  | 
                            ![]() RF3220TR7  | 
                            ![]()  | 
                            ![]() IC DRIVER AMP HI-LINEARITY 12QFN  | 
                            ![]() Data Sheet  | 
                            ![]() 
  | 
                            
                            	 | 
                      ||||||||||||||
![]()  | 
                            ![]() RF3223TR7  | 
                            ![]()  | 
                            ![]() IC DRIVER AMP HI-LINEARITY 12QFN  | 
                            ![]() Data Sheet  | 
                            ![]() 
  | 
                            
                            	 | 
                      ||||||||||||||
 (China (Mainland)) 
                         
                        
                                    







