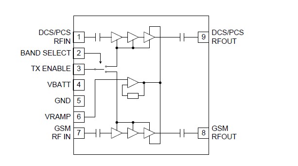
Product Summary
The RF3196 is a high-power, high-efficiency power amplifier module with integrated power control that provides over 50dB of control range. The RF3196 is a self-contained 6mmx6mm module with 50Ω input and output terminals. The device is designed for use as the final RF amplifier in GSM850, EGSM900, DCS and PCS handheld digital cellular equipment and other applications in the 824MHz to 849MHz, 880MHz to 915MHz, 1710MHz to 1785MHz and 1850MHz to 1910MHz bands. The RF3196 incorporates RFMD’s latest VBATT tracking circuit, which monitors battery voltage and prevents the power control loop from reaching saturation. The RF3196 also has a power flattening circuit that reduces power variation and max current draw into mismatch. The RF3196 requires no external routing or external components, simplifying layout and reducing board space.
Parametrics
RF3196 absolute maximum ratings: (1)Supply Voltage: -0.3 to +6.0 VDC; (2)Power Control Voltage (VRAMP): -0.3 to +2.2 V; (3)Input RF Power: +10 dBm; (4)Max Duty Cycle: 50 %; (5)Output Load VSWR: 10:1; (6)Operating Case Temperature: -20 to +85 ℃; (7)Storage Temperature: -55 to +150 ℃; (8)VRAMP Input Current: 30 μA.
Features
RF3196 features: (1)Reduced Current into Mismatch; (2)Ultra-Small 6mmx6mm Package Size; (3)Integrated VREG; (4)Complete Power Control Solution; (5)Automatic VBATT Tracking Circuit; (6)No External Components or Routing.
Diagrams

| Image | Part No | Mfg | Description | ![]() |
Pricing (USD) |
Quantity | ||||
|---|---|---|---|---|---|---|---|---|---|---|
![]() |
![]() RF3196 |
![]() Other |
![]() |
![]() Data Sheet |
![]() Negotiable |
|
||||
| Image | Part No | Mfg | Description | ![]() |
Pricing (USD) |
Quantity | ||||
![]() |
![]() RF3100-2 |
![]() Other |
![]() |
![]() Data Sheet |
![]() Negotiable |
|
||||
![]() |
![]() RF3100-3 |
![]() Other |
![]() |
![]() Data Sheet |
![]() Negotiable |
|
||||
![]() |
![]() RF3100-3K |
![]() Other |
![]() |
![]() Data Sheet |
![]() Negotiable |
|
||||
![]() |
![]() RF3105 |
![]() Other |
![]() |
![]() Data Sheet |
![]() Negotiable |
|
||||
![]() |
![]() RF3108 |
![]() Other |
![]() |
![]() Data Sheet |
![]() Negotiable |
|
||||
![]() |
![]() RF3110 |
![]() Other |
![]() |
![]() Data Sheet |
![]() Negotiable |
|
||||
(China (Mainland))









