Product Summary
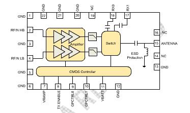
The RF7182 is a quad-band GSM/GPRS class 12-compliant transmit module with two symmertrical receive ports. The RF7182 builds upon RFMD‘ s leading power amplifier with powerstar integrated power control technology, pHEMT switch technology, and integrated transmit filtering for best-in-class harmonic performance. The applications of the RF7182 are 3V multimode mobile applications, GPRS class 12 compliant, portable battery-powered equipment.
Parametrics
RF7182 absolute maximum ratings: (1)supply voltage:-0.3V to 6.0V; (2)power control voltage:-0.3V to 1.8V; (3)input RF power:+10dBm; (4)max duty cycle:50%; (5)output load VSWR:20:1; (6)operating temperature:-30 to +85℃; (7)storage temperature:-55 to +150℃.
Features
RF7182 features: (1)enhanced performance transimit module; (2)high efficiency at rated POUT vbatt=3.5; (3)integrated power elattening circuit; (4)integrated VBATT tracking circuit; (5)8kV robust ESD protection at antenna port; (6)no external routing; (7)low RX insertion loss; (8)symmertrical RX ports; (9)0dbm to 6dbm drive level, >50dB of dynamic range.
Diagrams

![]() |
![]() RF7115 |
![]() Other |
![]() |
![]() Data Sheet |
![]() Negotiable |
|
||||
![]() |
![]() RF7163 |
![]() Other |
![]() |
![]() Data Sheet |
![]() Negotiable |
|
||||
![]() |
![]() RF7166 |
![]() Other |
![]() |
![]() Data Sheet |
![]() Negotiable |
|
||||
![]() |
![]() RF7168 |
![]() Other |
![]() |
![]() Data Sheet |
![]() Negotiable |
|
||||
![]() |
![]() RF7169 |
![]() Other |
![]() |
![]() Data Sheet |
![]() Negotiable |
|
||||
![]() |
![]() RF716x Product Family |
![]() Other |
![]() |
![]() Data Sheet |
![]() Negotiable |
|
||||
(China (Mainland))








